產品分類
PRODUCT- 手持氣象站
- 便攜式氣象站
- 車載氣象站
- 自動氣象站
- 超聲波氣象站
- 化工自動氣象站
- 森林氣象站
- 校園氣象站
- 雪深監測站
- 輸電線路氣象站
- 雷電預警系統
- 機場氣象站
- 高精度風蝕自動氣象站
- 海洋氣象站
- 可升降避雷針
- 夜視儀
- 北斗環境監測站
- 氣象傳感器
- 水文監測系統
- 農業氣象站
- 草原氣象站
- 交通氣象站
- 光伏氣象站
- 景區氣象站
推薦文章
聯系我們
山東風途電子科技有限公司
服務熱線:16652863761
客服QQ:2749609891
客服微信:16652863761
公司地址:山東省濰坊市高新區光電路155號光電產業加速器(一期)

一、金屬款六要素氣象傳感器產品簡介
山東風途物聯網科技有限公司作為專業研發生產銷售微型氣象儀的企業,一直致力于微型氣象儀和氣象環境解決方案推廣應用。具有完整的生產鏈、實力雄厚的技術團隊和全面的營銷團隊,我們研發生產的超聲波風速風向儀、五要素微氣象儀、六要素微氣象儀和小型自動氣象站等氣象產品,已廣泛應用到氣象監測、城市環境監測、風力發電、航海船舶、航空機場、橋梁隧道等領域,客戶遍布全國各地,并取得了良好的社會效益和經濟效益。
FT-Y6S型六要素微氣象儀原理為發射連續變頻超聲波信號,通過測量相對相位來檢測風速風向。與傳統的超聲波風速風向儀相比,我司產品克服了對高精度計時器的需求,避免了因傳感器啟動延時、解調電路延時、溫度變化而造成的測量不準問題。
FT-Y6S型六要素微氣象儀創新性地將氣象標準六參數(環境溫度、相對濕度、風速、風向、大氣壓力、壓電雨量)通過一個高集成度結構來實現,可實現戶外氣象參數24小時連續在線監測,通過數字量通訊接口將六項參數一次性輸出給用戶。
二、金屬款六要素氣象傳感器產品特點
1、頂蓋隱藏式超聲波探頭,避免雨雪堆積的干擾,避免自然風遮擋(實用新型專利,專利號ZL 2020 2 3215713.X)☆
2、原理為發射連續變頻超聲波信號,通過測量相對相位來檢測風速風向(發明專利,專利號ZL 2021 1 0237536.5)☆
3、風速、風向、溫度、濕度、大氣壓力、壓電雨量六要素一體式(實用新型專利,專利號ZL 2020 2 3215649.5)☆
4、采用先進的傳感技術,實時測量,無啟動風速☆
5、抗干擾能力強,具有看門狗電路,自動復位功能,保證系統穩定運行
6、高集成度,無移動部件,零磨損
7、免維護,無需現場校準
8、采用不銹鋼材質,強度高、抗氧化、抗腐蝕
9、產品設計輸出信號標配為RS485通訊接口(MODBUS協議);可選配232、USB、以太網接口,支持數據實時讀取☆
10、可選配外置無線傳輸模塊,最小傳輸間隔1分鐘
11、可選配內置加熱模塊:加熱電流1A(DC12V),加熱功耗12-15W
12、一體式設計磨損小、使用壽命長、響應速度快
三、金屬款六要素氣象傳感器技術參數
1、風速:0~60m/s(±0.1m/s);(北京市氣象校準證書)
2、風向:0~360°(±2°);(北京市氣象校準證書)
3、空氣溫度:-40-60℃(±0.3℃);(北京市氣象局校準證書)
4、空氣濕度:0-100%RH(±3%RH);(北京市氣象局校準證書)
5、大氣壓力:300-1100hpa(±0.25%);(北京市氣象局校準證書)
6、壓電雨量:0-4mm/min(±4%)
7、功率:1.08W
8、生產企業具有ISO質量管理體系、環境管理體系和職業健康管理體系認證☆
9、生產企業具有計算機軟件注冊證書☆
10、生產企業為3A級信用企業☆
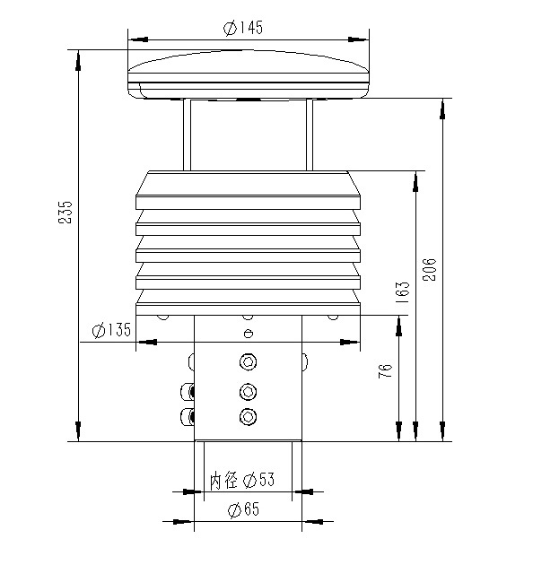
四、金屬款六要素氣象傳感器產品尺寸圖

五、金屬款六要素氣象傳感器產品結構圖

六、金屬款六要素氣象傳感器注意事項
1.傳感器水平周圍1米半徑無遮擋,避免水滴飛濺影響
2.傳感器安裝位置應避開強機械振動源
3.傳感器安裝上方應為開闊區域,雨滴應直接滴落至傳感器,應免二次滴落和連續水流沖擊
更新時間:2025-11-09
文章地址:http://www.cqyuqi.com/qxcgq/1354.html
- 上一篇:金屬款五要素氣象傳感器
- 下一篇:風速風向測量儀




